Saturday, April 4, 2026     
     Serving the Electronic Industries for Over 33 Years
Quabbin Cables & Wires logo
Frontline Switches products page
xytronic Soldering and Desoldering Tools Logo
Molex Connectors Logo
     Electronic Components Distributor Logo                        
 Home
  |  View Account   |    Engineer's Corner    |  Contact Us  |  Cross Reference  |  Line Card  |  0 Item
Part Search
NTE Cross Ref. Search
Login
SRI Live Chat Help
call us email us contact us

Product Links

Inside SRI

About SRI
Contact Us
Careers
Link to Us!
Feedback

SRI-Newsletter
Subscribe to our newsletter to receive monthly specials, manufacturer's feature, and electronics news via email.

See Our latest release of SRI-Newsletter here

View Our List of Archived Newsletter Articles


SRI Links

Visit our Sister Site,

Distributor of

Industrial Products

  Web Search ..
  Powered by;

 FS/FD Series

Data Processing Receptacles, Plugs & Connectors
 Features
  • Available Ranges (Amp) - 20, 30 & 60
  • Safety Grade" Flame rated - UL94-VØ
  • High-Temp Plastic Housings - Aluminum
  • Easy-to-Wire
  • Rear loaded interiors
  • Single Rated Safety - 20A
  • External Cable Clamp
  • Specifications (Click here to view Specs in an Acrobat File)

    Performance - Electrical
    Dielectric Voltage Withstand 3000 Volts
    Max. Working Voltage 600 volts RMS (minimum creepage distance and minimum clearance per UL 840)
    Circuit Interrupting/Load Breaking UL listed and CSA certified for circuit
    interrupting at full rated current.
    Temperature Rise Max. 30º C temperature rise at full rated current after 50 cycles of overload at 150% rated current at .75-PF
    Shrouded Contacts Complies with California Code Title 8, Art. 51, S2510.7(b) for devices exceeding 300 VAC
    Horsepower Per NEC 430-151 ratings (non-interrupting)
    Performance - Mechanical
    Impact Resistance Per UL1682 Paragraph 34
    Cord Accommodation Round portable service cords per UL Std. 62 & CSA C22.2 No. 49. 1
    Terminal Identification In accordance with UL1682
    Cable Pull Out Force In accordance with UL1682
    Product IdentificationIdentification label and name per UL 1686
    Lockout/Tagout Lockout/Tagout hole on 30/50A DuraGard plug complies with OSHA Reg. 29 CFR 1910.147 (V0 30 & 50A plugs only)
    Performance - Environmental
    Moisture Resistance Per UL1682 Paragraph 49. Watertight/ flap screw cover on receptacle.
    FlammabilityVØ / 5VAper UL94 (DuraV also 5VAin some apps.)
    Operating Temperatures
    V0* 5VA Metal*
    Maximum 95 C 130 C 130 C
    Continuous: (203 F) (266 F) (266 F)
    Minimum -29 C -29 C -40 C
    W/O Impact: (-200 F) (-20 F) (-40 F)
    ChemicalsResists standard industrial hydrocarbons, acids, bases, and solvents
    Materials
    Contact Carrier Interior Thermoset
    Housing, Gland Nut Cast Aluminum or Brass
    Contacts: Pins & Sleeves Brass
    Hinge Pins (Receptacle) Stainless Steel
    Terminals Brass
    All Hardware Stainless Steel
    Gland Friction Washer Brass or Aluminum
    Cable Clamp Bushing Neoprene

    Ordering Information
    Click on the part number to view prices and/or more information

    Male Plug Female Connector Female Receptacle Reverse Service
    Voltage Plug
    Safety
    Polarization
    Alumium. Cast Brass Alumium. Cast Brass Alumium.
    W/Box
    Cast Brass
    W/Box
    Alumium Cast Brass Alumium
    W/Box
    FDWS-62
    Cast Brass
    W/Box
    3731
    2P/3W
    15
    Amp
    25OV
    3720U-2
    3720BU-2
    3913U-2
    3913BU-2
    3743U-2
    3763U-2
    3789U-2
    3789BU-2
    3776U-2
    3779U-2
    277 VAC
    3720U-3
    3720BU-3
    3913U-3
    3913BU-3
    3743U-3
    3763U-3
    3789U-3
    3789BU-3
    3776U-3
    3779U-3
    48O VAC
    3720U-4
    3720BU-4
    3913U-4
    3913BU-4
    3743U-4
    3763U-4
    3789U-4
    3789BU-4
    3776U-4
    3779U-4
    60O VAC
    3720U-5
    3720BU-5
    3913U-5
    3913BU-5
    3743U-5
    3763U-5
    3789U-5
    3789BU-5
    3776U-5
    3779U-5
    20
    Amp
    250 VAC
    3720
    3720B
    3913
    3913B
    3743
    3763
    3789
    3789B
    3776
    3779
    125 V
    3720U-1
    3720BU-1
    3913U-1
    3913BU-1
    3743U-1
    3763U-1
    3789U-1
    3789BU-1
    3776U-1
    3779U-1v
    30
    Amp
    250 VAC
    3750v
    3750B
    3933
    3933B
    3753
    3773
    3809
    3809B
    3796
    3799
    3P/4W
    10
    Amp
    600 VAC
    3730
    3730B
    3914
    3914B
    3744
    3764
    3790
    3790B
    3777
    3780
    15
    Amp
    250 VAC
    3730
    3730B
    3914
    3914B
    3744
    3764
    3790
    3790B
    3777
    3780
    20
    Amp
    600 VAC
    3760
    3760B
    3934
    3934B
    3754
    3774
    3810
    3810B
    3797
    3800
    30
    Amp
    250 VAC
    3760
    3760B
    3934
    3934B
    3754
    3774
    3810
    3810B
    3797
    3800

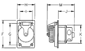
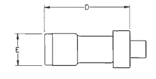
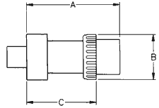
    Dimensions

    Plugs
    A B C
    FS/FD 20 Amp 3 5/8" 2" 2 1/2"
    30 Amp 3 3/4" 21/4" 2 3/8"
    60 Amp 8" 2 1/2" 3 3/4"
    Connectors
    D E
    FS/FD 20 AMP 4" 1 7 /8"
    30 AMP 4 5/8" 2 1/8"
    60 AMP 10 3/8" 3 1/2"
    >
    Receptacles
    F G H I J K M
    FS/FD 20 AMP 4 1/8" 3 1/4" 2 5/8" 1 7/8" 1 1/8" 2 1/4" 2 1/2"
    30 AMP 4 1/8" 3 1/4" 2 5/8" 1 7/8" 1 3/8" 2 1/4" 2 5/8"
    60 Amp 3 1/2"2 7/8" 3 1/2" 2 7/8" - 2 1/2" 6"

    **Specifications subject to changes**
    [Go to Search] [Back]