Coil
Coil Voltages: See Chart
Pick-up Voltages: See Chart
Drop-out Voltage: See Chart
Operational Characteristics
Timing Value:
Operate Time: 330 µS at nominal voltage
Release Time: 150 µS at nominal voltage
Insulation Characteristics
Dielectric Strength:
Contact to Contact: 1000 VDC
Across Open Contacts: 200 VDC
Environmental Characteristics
Operating: -45°C to +85°C
Storage: -60°C to +105°C
Capacitance
Across Open Contacts: 1pF
Open Contacts to Coil: 2pF
Life
Mechanical: 5 x 106 (50,000,000) with appropriate contact protection
Back to Top

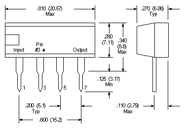
Dimensional Drawings
D20
Back to Top

Part Numbers
| DC OPERATED |
| NTE Type No. |
Nom. Voltage |
Contact Arr. |
Coil Res. Ohms Typ |
Nom. Power |
Max. Cont. |
Max. Pick Up |
Min. Drop Out |
Diag. No. |
| R42-1D.5-6 |
5/6VDC |
SPST-NO |
500 |
50mW |
0.5A |
3.8VDC |
0.5VDC |
D20 |
| R42-1D.5-12 |
12VDC |
SPST-NO |
1870 |
77mW |
0.5A |
9VDC |
1VDC |
D20 |
| R42-1D.5-24 |
24VDC |
SPST-NO |
3200 |
180mW |
0.5A |
18VDC |
2VDC |
D20 |
Back to Top